параметр продукта (спецификация)
Минимальный пиковый выходной ток 2,5 А.
Выходное напряжение Rail-to-Rail.
Максимальная задержка распространения 110 нс.
Защита от блокировки при пониженном напряжении (UVLO).
с гистерезисом.
Широкий рабочий диапазон: от 15 до 30 Вольт (VCC).
Гарантированная работоспособность при температуре.
-40 градус ~ +110 градус.
|
АБСОЛЮТНЫЕ МАКСИМАЛЬНЫЕ РЕЙТИНГИ |
|||||
|
ПАРАМЕТР |
СИМВОЛ |
Мин |
Макс |
ЕДИНИЦА |
ПРИМЕЧАНИЕ |
|
Хранение Темпера |
T стг |
-55 |
125 |
степень |
- |
|
Рабочая температура |
Т опр |
-40 |
110 |
степень |
- |
|
Температура перехода выходной микросхемы |
Ти Джей |
- |
125 |
степень |
- |
|
Общее выходное напряжение питания |
(ВКК-ВСС) |
0 |
35 |
v |
- |
|
Средний прямой ввод Cu |
ЕСЛИ |
- |
20 |
мА |
- |
|
Обратное входное напряжение |
VR |
- |
5 |
V |
- |
|
«Высокий» пиковый выходной ток |
IOH(ПИК) |
2.5 |
- |
A |
1 |
|
Низкий пиковый выходной ток |
ИОЛ(ПИК) |
2.5 |
- |
A |
1 |
|
Выходное напряжение |
ВО (ПИК) |
-0.5 |
Вкк |
V |
- |
|
Рассеяние мощности |
ПИ |
- |
45 |
мВт |
- |
|
Рассеяние выходной мощности микросхемы |
ПО |
- |
700 |
МВт |
- |
|
Температура свинцового припоя |
Цол |
- |
260 |
степень |
- |
|
ЭЛЕКТРООПТИЧЕСКИЕ ХАРАКТЕРИСТИКИ при Ta=25 градусах |
|||||||
|
ПАРАМЕТР |
СИМВОЛ |
МИН |
ТИП |
МАКС |
ЕДИНИЦА |
УСЛОВИЯ ИСПЫТАНИЯ |
ПРИМЕЧАНИЕ |
|
ВХОДНЫЕ ХАРАКТЕРИСТИКИ |
|||||||
|
Прямое напряжение |
VF |
- |
1.38 |
1.8 |
V |
ЕСЛИ=10мА |
- |
|
Обратный ток |
ИК |
- |
- |
10 |
μA |
ВР=5В |
- |
|
Входной пороговый ток (от низкого до высокого) |
IFлевый |
- |
0.9 |
2 |
мА |
VO > 5 В, IO =0 А |
- |
|
Входное пороговое напряжение (от высокого к низкому) |
VFХЛ |
0.8 |
- |
- |
V |
ВКК=30 В, ВО<5V |
|
|
Входная емкость |
Син |
- |
60 |
- |
пф |
В=0,f=1МГц |
|
|
ВЫХОДНЫЕ ХАРАКТЕРИСТИКИ |
|||||||
|
Высокий уровень питающего тока |
ICСН |
- |
1.50 |
3 |
мА |
IF=10 мА, VCC=30 В, VO=разомкнут, Rg=30 Ом, Cg=3 нФ |
|
|
Ток питания низкого уровня |
ICКЛ |
- |
1.50 |
3 |
мА |
F=0 мА, VCC=30 В, VO=разомкнут, Rg=30 Ом, Cg=3 нФ |
|
|
Выходное напряжение высокого уровня |
VOH |
29.7 |
29.88 |
- |
V |
ЕСЛИ=10 мА, IO=-100 м |
2,3 |
|
Выходное напряжение низкого уровня |
VOL |
- |
0.1 |
0.3 |
V |
F=0 мА, IO =100 мА |
|
|
Выходной ток высокого уровня |
IOH |
-2.5 |
- |
- |
A |
F=10 мА, VCC=30 В Голосовой голос=VCC-4 |
1 |
|
Выходной ток низкого уровня |
IOL |
2.5 |
- |
- |
A |
F=0 мА, VCC=30 В Голос за кадром=ВСС+4 |
|
|
Блокировка при пониженном напряжении Порог |
ВУВЛО+ |
11.0 |
12.6 |
13.5 |
V |
VO > 5 В, ЕСЛИ =10 мА |
|
|
ВУВЛО- |
5.9 |
11.2 |
12.0 |
V |
VO < 5 В, ЕСЛИ =10 мА |
||
особенность продукта и применение

Привод затвора IGBT/MOSFET
Источник бесперебойного питания (ИБП)
Промышленный инвертор
Приводы с двигателями переменного/бесщеточного постоянного тока
Смена поставщика электроэнергии
TDL341 Он может заменить Avago ACPL-P341/ACPL-W341, Fairchild FOD8342, Toshiba TLP5702 и Liteon LTV-341 с напряжением изоляции 5000 В (среднеквадратичное значение) и номинальным диапазоном напряжения питания от 10 до 30 В. Он широко используется в импульсных источниках питания, приводах затворов IGBT/MOSFET, приводах двигателей переменного и бесщеточного постоянного тока, инверторах возобновляемых источников энергии и промышленных инверторах;

детали производства
Драйвер ворот LS0P6
Драйверные ворота IGBT
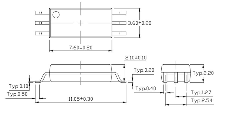
РАЗМЕРЫ УПАКОВКИ (Размеры в мм, если не указано иное)


квалификация продукта



Доставка, доставка и обслуживание

Последние новости



Часто задаваемые вопросы
Вопрос: Характеристики оптопары 341?
Вопрос: Какова связь между IGBT и оптопарой IGBT Driver Gate341?
Вопрос: Связь между накопителем энергии и оптопарой 341?
горячая этикетка : ворота водителя igbt, поставщики ворот водителя igbt в Китае, Оптокублер драйвера ворот для необходимых решений, Оптокублер драйвера ворот для решений для продвижения, Оптокуплер драйвера ворот для качественных решений, Оптокуплер драйвера ворот для устойчивости, Оптокублер ворота для систем возобновляемых источников энергии, Оптокуплер драйвера затвора для защиты схемы


